Overview | Microcontroller | IR | Tape | Drivetrain | Power
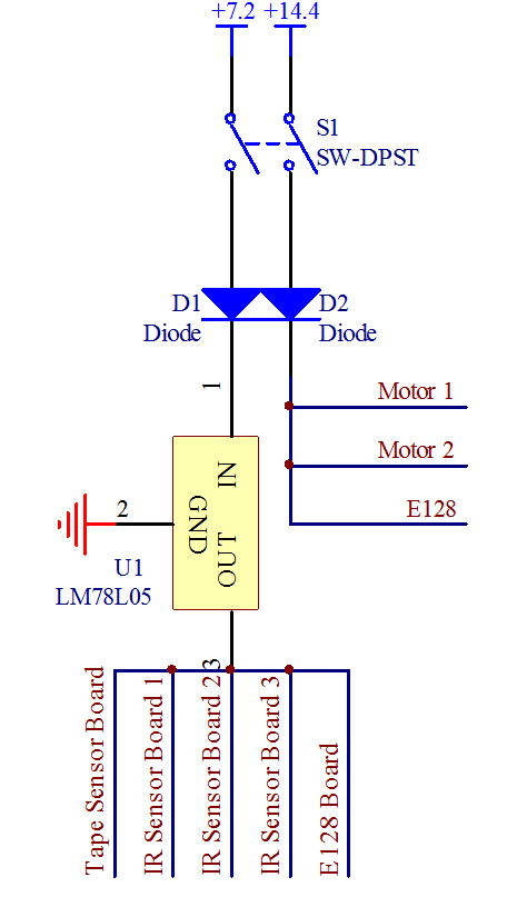
In order to minimize noise in The Death Star’s circuitry, a single board sources power to all other circuits throughout the robot. This board has two input terminals, one for two batteries in series (14.4 V and associated ground) and one for a single battery (7.2 V and associated ground.) The grounds of these two power sources are connected right at the input terminals to minimize noise potential. Both power sources are then sent through a single-throw double-pole kill switch, followed by basic diodes to protect against one or both of the power sources being connected in the wrong orientation. The 14.4 V power source is then sent directly to three output terminals, one for each drive motor and one for the E128 microcontroller. The 7.2 V power is first regulated down to 5 V, and is then split into five outputs: one to each of the three IR sensor boards, one to the tape sensor board, and one to the microcontroller board, which in turn supplies power to the input switch/LED board.

 
 